- Nuovo


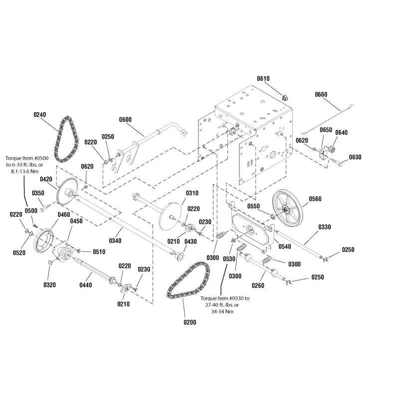
| Descrizione | PIASTRA . E95288 Sostituisce: ZS722069 RIF. ESPLOSO (0540) |
|---|---|
| SKU | ZS722069 |
| Compatibilità | H924RX - 1696008 H924RX 24" 9TP Two Stage Intermediate Traction Drive Group L824R - 1696220-00 SNL824R 24" 7.5TP Two Stage Traction Drive Group L824R - 1696523-00 SNL824R 24" 7.5TP Two Stage Traction Drive Group L924R - 1696221-00 SNL924R 24" 9TP Two Stage Traction Drive Group |