- Nuovo


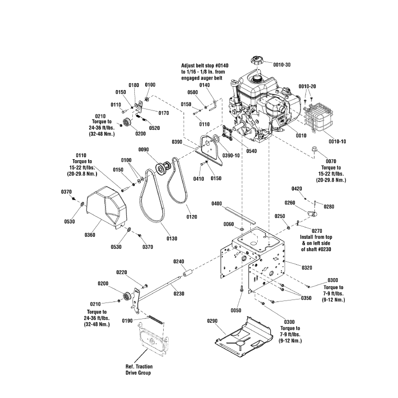
| Descrizione | CINGHIA TRAZIONE 3L 33.13 . Sostituisce: ZS1733324 RIF. ESPLOSO (0120) |
|---|---|
| SKU | ZS1733324 |
| Compatibilità | H924RX - 1696008 H924RX 24" 9TP Two Stage Intermediate Engine & Frame Group L824R - 1696220-00 SNL824R 24" 7.5TP Two Stage Engine Group L824R - 1696523-00 SNL824R 24" 7.5TP Two Stage Engine Group L924R - 1696221-00 SNL924R 24" 9TP Two Stage Engine Group |