- Nuovo


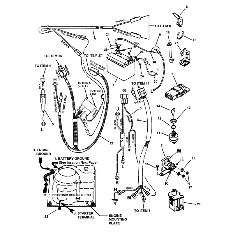
| Descrizione | CABLAGGIO PRESENZA OPERATORE . Sostituisce: ZS7028678 RIF. ESPLOSO (21) |
|---|---|
| SKU | ZS7028678 |
| Compatibilità | E2512323BVE- 7800116 7800139 ELECTRICAL SYSTEMS (For 15HP Kohler) E2512523BVE - 7800499 ELECTRICAL SYSTEMS (For 15HP Kohler) E2812523BVE- 7800117 ELECTRICAL SYSTEMS (For 15HP Kohler) E2813523BVE - 7800118 ELECTRICAL SYSTEMS (For 15HP Kohler) E2813523BVE - 7800501 ELECTRICAL SYSTEMS (For 15HP Kohler) E331523KVE - 7800119 Rider serie 23 ELECTRICAL SYSTEMS (For 15HP Kohler) E331523KVE - 7800502 ELECTRICAL SYSTEMS (For 15HP Kohler) E331523KVE - 7800660 Electrical Group (Kohler 15 HP) E3317523BVE - 7800718 E3317523BVE 33" 17.5 HP Rear Engine Electrical Group (Kohler 15 HP) |