- Nuovo


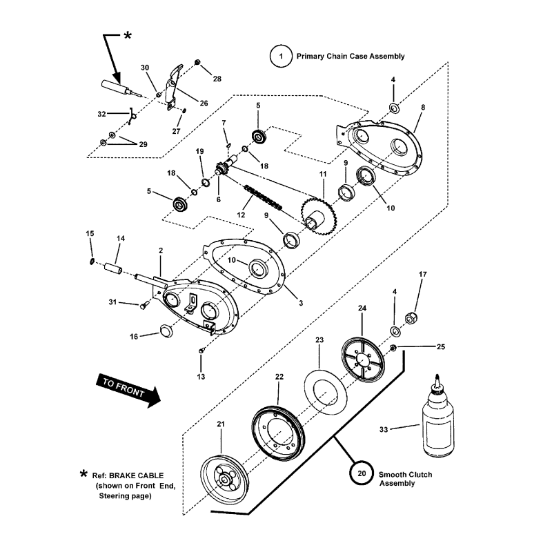
| Descrizione | SPESSORE BRACCIO FRENO . Sostituisce: ZS7072593 RIF. ESPLOSO (30) |
|---|---|
| SKU | ZS7072593 |
| Compatibilità | E2512323BVE- 7800116 7800139 PRIMARY CHAIN CASE & SMOOTH CLUTCH E2512523BVE - 7800499 PRIMARY CHAIN CASE & SMOOTH CLUTCH E2512523BVE - 7800657 E2512523BVE 25" 12.5 HP Rear Engine Primary Chain Case & Smooth Clutch Group E2812523BVE - 7800500 E2812523BVE 28" 12.5 HP Rear Engine Primary Chain Case & Smooth Clutch Group E2812523BVE- 7800117 PRIMARY CHAIN CASE & SMOOTH CLUTCH E2813523BVE - 7800118 PRIMARY CHAIN CASE & SMOOTH CLUTCH E2813523BVE - 7800501 PRIMARY CHAIN CASE & SMOOTH CLUTCH E2813523BVE - 7800659 E2813523BVE 28" 13.5 HP Rear Engine Primary Chain Case & Smooth Clutch Group E2814523BVE - 7800790 E2814523BVE 28" 14.5 HP Rear Engine Primary Chain Case & Smooth Clutch Group E331523KVE - 7800119 Rider serie 23 PRIMARY CHAIN CASE & SMOOTH CLUTCH E331523KVE - 7800502 PRIMARY CHAIN CASE & SMOOTH CLUTCH E331523KVE - 7800660 Primary Chain Case & Smooth Clutch Group E3317523BVE - 7800718 E3317523BVE 33" 17.5 HP Rear Engine Primary Chain Case & Smooth Clutch Group |