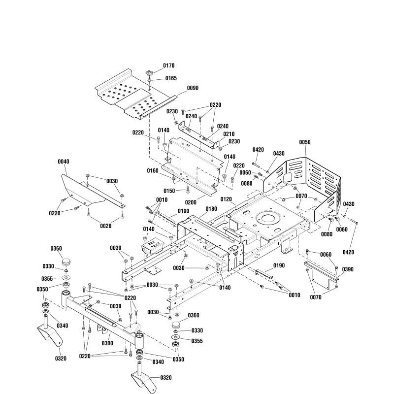
- Nuovo


| Descrizione | RONDELLA PIANA 1 X 2-1/2 . ZTX150 ZTX200 RIF. ESPLOSO (0355) |
|---|---|
| SKU | ZS1722726SM |
| Compatibilità | YTX400 - 2691250-00 YT2452 52" 24 HP Hydro Drive RMO Yard Wheels & Tires Group ZTX250 - 2691353-01 ZTX250 48" (122CM) 724cc 8270 Series Frame Group ZTX350 - 2691410-00 Frame Group |