20,24 €23,00 €
20,24 €23,00 €Prezzo base-12% off
Prezzo

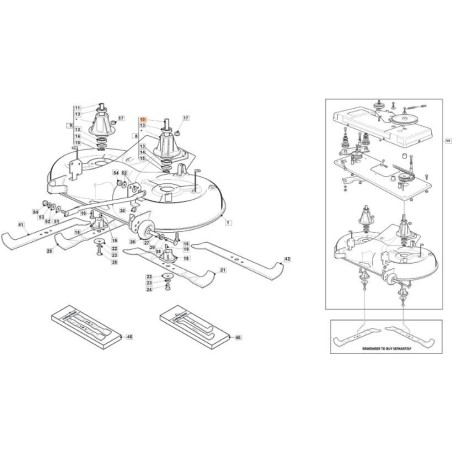
Lame per rasaerba, trattorini, tosaerba e robot tagliaerba. Realizzate in acciaio ad alta resistenza, assicurano un taglio preciso e uniforme su ogni tipo di prato. Compatibili con i principali marchi, disponibili in varie lunghezze e forme per ogni esigenza di sostituzione.
Prodotti