- Nouveau


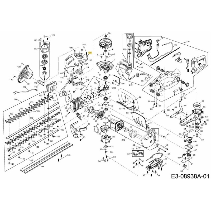
| Nom | COUVERCLE DE CYLINDRE |
|---|---|
| MPN | 092.63.690 |
| Image de référence | 109 |
| Compatibilité | 092.63.690 / COUVERCLE DE CYLINDRE // MTD / Cisaille à haie thermique / GHT 55/28 / 41AHG0G-678 (2015) / Machine de base 092.63.690 / COUVERCLE DE CYLINDRE // MTD / Cisaille à haie thermique / GHT 55/28 / 41AHG0G-678 (2016) / Machine de base |