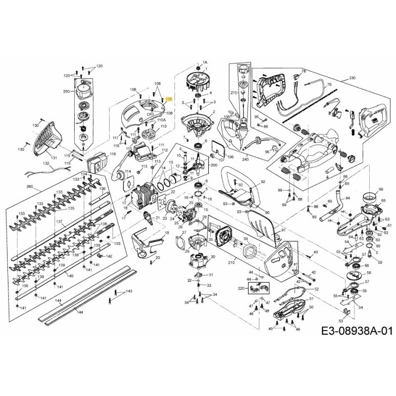
- Nuevo


| Nombre | TAPA DEL CILINDRO |
|---|---|
| Número de parte del fabricante | 092.63.690 |
| Ref. Imagen | 109 |
| Compatibilidad | 092.63.690 / CUBIERTA DE CILINDRO // MTD / Tijeras de podar de gasolina / GHT 55/28 / 41AHG0G-678 (2015) / Máquina básica 092.63.690 / CUBIERTA DE CILINDRO // MTD / Tijeras de podar de gasolina / GHT 55/28 / 41AHG0G-678 (2016) / Máquina básica |