- Nuevo


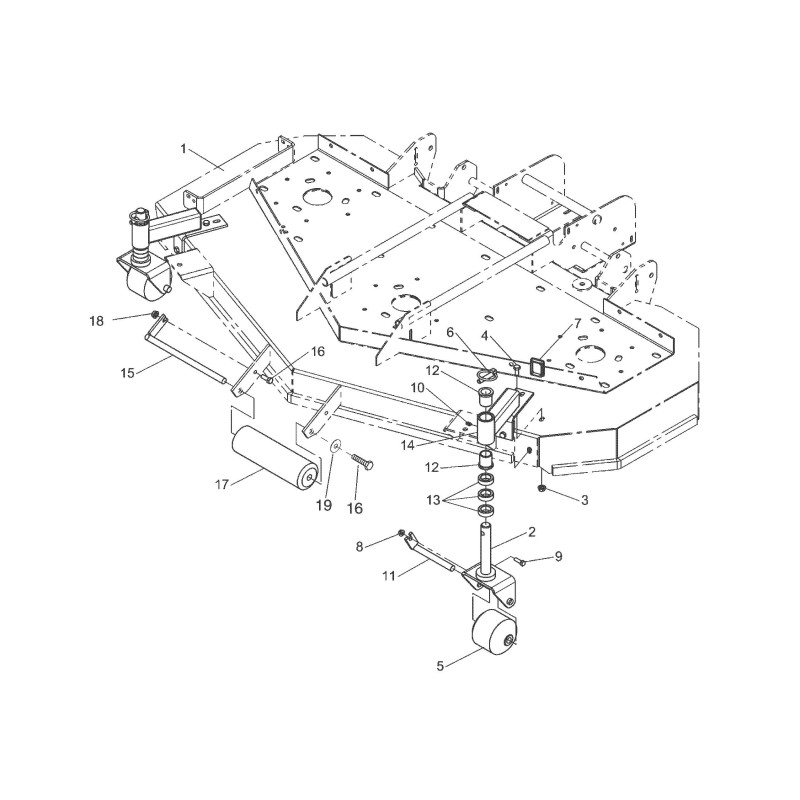
| Nombre: | SOLDADURA, BRAZO, CUBIERTA DE RUEDAS |
|---|---|
| MPN: | LR5046965B |
| Compatibilidad: | IS4500 - 5900626 Serie IS4500Z con plataforma de corte de 61" y 72" con descarga lateral - Ruedas y rodillos - Plataforma de corte de 61" y 72" con descarga lateral - Ruedas y rodillos - Descarga lateral |