- Neu


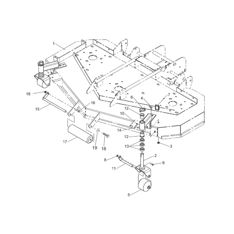
| Name: | SCHWEISSEN, ARM, DECKROLLENFELDER |
|---|---|
| MPN: | LR5046965B |
| Compatibilità: | IS4500 - 5900626 IS4500Z Serie mit 61" Seitenauswurf 61" & 72" Mähwerk - Lenkrollen & Rollen - Seitenauswurf Mähwerk - Lenkrollen & Rollen - Seitenauswurf 61" & 72" Mähwerk |