€67.90€70.00
€67.90€70.00Regular price-3% off
Price

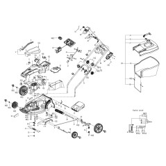
On/off switches for chainsaws, brush cutters, mowers, and lawn tractors. Ensure safe engine control even in demanding conditions. Compatible with top brands, available in different types and easy to install.
1945 products