- Neu






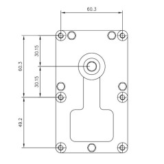
| Beschreibung | Mellor FB1344 Getriebemotor Drehzahl: 1 U/min. Zungenventil: 19 mm. Wellendurchmesser: 9,5 mm. Abflachung: einzeln. Drehrichtung: im Uhrzeigersinn. Nenndrehmoment: 20 Nm. Modell mit Encoder |
|---|---|
| Artikelnummer | 14702026 |
| Eigenschaften | Der Mellor FB1344 Getriebemotor eignet sich für Anwendungen, bei denen niedrige Drehzahl und hohes Drehmoment erforderlich sind, und wurde speziell als Rotor für den Antrieb von Pelletöfen entwickelt. T3-Serie Nenndrehmoment 20 Nm Absorption 13 Watt Drehzahl 1 U/min Drehung im Uhrzeigersinn Wellendurchmesser 9 5 mm 19 mm Membranventil-Set Stromversorgung 220 V Wechselstrom - 50 60 Hz. |