- Nouveau


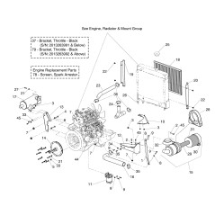
| Nom : | DURITE, RADIATEUR INFÉRIEUR - CAT |
|---|---|
| MPN : | LR5100394 |
| Compatibilità: | IS5100 - 5900995 Série IS5100Z avec moteur diesel Caterpillar et accessoires pour moteur et radiateur Groupies Group Accessoires moteur et radiateur IS5100 - 5900996 Série IS5100Z avec moteur diesel Caterpillar, accessoires moteur et radiateur 61" Groupies Group |