- Nouveau


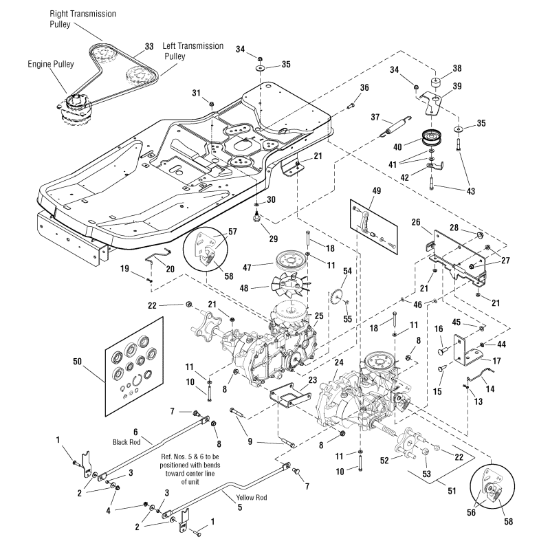
| Description | RESSORT DE TENDEUR DE COURROIE 0,885ODX. RÉF. VUE ÉCLATÉE (37) |
|---|---|
| UGS | ZS1734316SM |
| Compatibilité | ESC20420 - 2690716 ESC20420 Motocyclette à double commande ZT 42" 20HP Groupe de transmission SPX160 - 2691700-00 SPX160 42" (107 cm) 17,5 CV bruts SPX Plateau de coupe de 107 cm (42 po) - Groupe d'embrayage SPX175 - 2691928-00 SPX175 42" (107 cm) 17,5 CV bruts Plateau de coupe de 107 cm (42 po) - Groupe d'embrayage SPX175 - 2691928-01 SPX175 42" (107 cm) 17,5 CV bruts Plateau de coupe de 107 cm (42 po) - Groupe d'embrayage |