- Nouveau


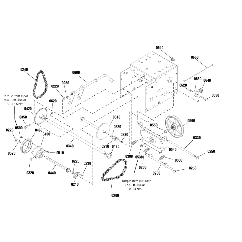
| Description | Boulon 1/4-20 x 1-1/2. Remplace : ZS1922837. Réf. Vue éclatée (0630) |
|---|---|
| UGS | ZS1922837 |
| Compatibilité | H924RX - 1696008 H924RX 24" 9TP Intermédiaire à deux étages Groupe de traction L824R - 1696220-00 SNL824R 24" 7.5TP Deux étages Groupe de traction L824R - 1696523-00 SNL824R 24" 7.5TP Deux étages Groupe de traction L924R - 1696221-00 SNL924R 24" 9TP Deux étages Groupe de traction |