- Nouveau


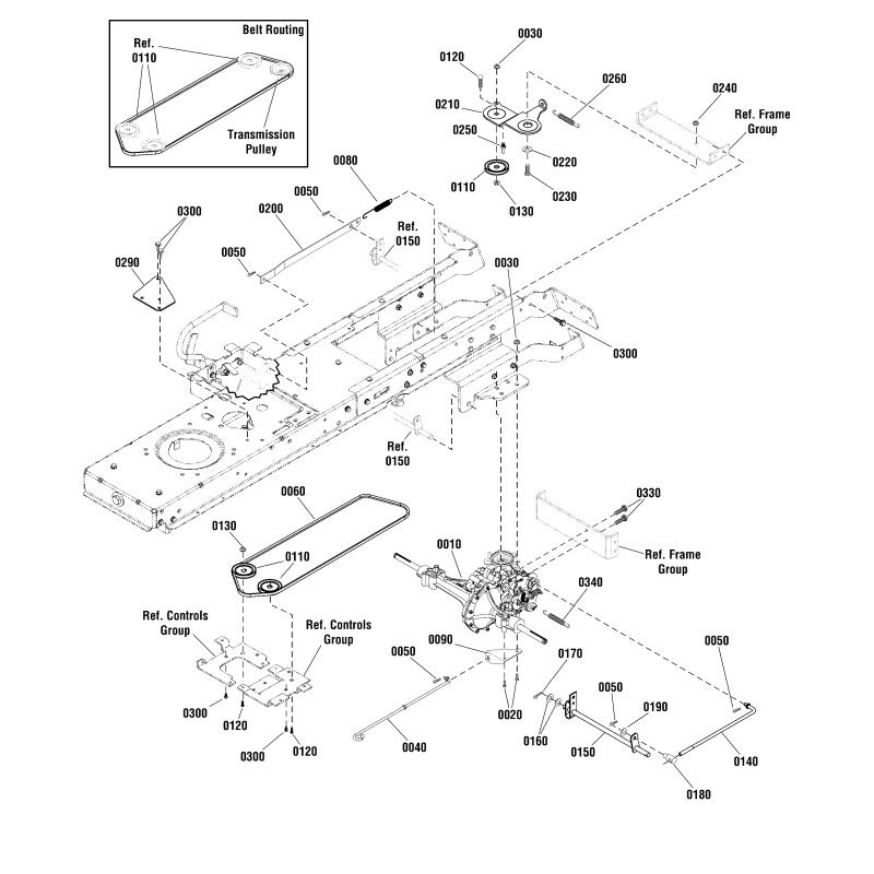
| Description | RONDELLE 3/8". Remplace : ZS017X53MA. RÉF. VUE ÉCLATÉE (0190) |
|---|---|
| UGS | ZS017X53MA |
| Compatibilité | ERPX17538RDF - 2691113-00 ERPX17538RDF 96 cm 17,5 CV bruts Groupe de transmission - Hydro Gear 324-0610 ERPX17538RDF - 2691113-01 ERPX17538RDF 96 cm 17,5 CV bruts Groupe de transmission - Hydro Gear 324-0610 ERXT2242RDF - 2691107-00 ERTX2242RDF 107 cm 22 CV bruts Groupe de transmission - Hydro Gear 324-0610 ERXT2242RDF - 2691107-01 ERTX2242RDF 107 cm 22 CV bruts Groupe de transmission - Hydro Gear 324-0610 |