- Nouveau






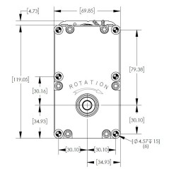
| Description | Motoréducteur Merkle Korff S10999 Vitesse : 1,3 tr/min. Soupape à anche : 23 mm. Diamètre de l'arbre : 9,52 mm. Aplatissement : simple. Sens de rotation : horaire. Couple nominal : 135 po/lb min. |
|---|---|
| UGS | 14702101 |
| Caractéristiques | Adapté aux applications nécessitant une faible vitesse et un couple élevé, le motoréducteur S10999 MKGF64221 Le 3F S10630-7 est spécialement conçu pour être utilisé comme rotor pour alimenter les poêles à granulés. Couple 135 pouces LIVRES MIN. absorption 42 watts vitesse 1 3 tours par minute rotation dans le sens horaire diamètre de l'arbre 9 52 mm Ensemble de clapets à lamelles de 23 mm Alimentation électrique 230 V CA - 50 Hz. |