- Nouveau


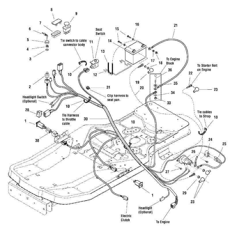
| Description | JEU DE CLÉS DE DÉMARRAGE (2 PIÈCES) * . RÉF. VUE ÉCLATÉE (6) |
|---|---|
| UGS | ZS1717163SM |
| Compatibilité | E2813524BVE - 7800978-00 E2813524BVE Moteur arrière de 28 pouces et 13,5 CV Groupe électrique 13.5 B&S ES ESC20420 - 2690716 ESC20420 Motocyclette à double commande ZT 42" 20HP Groupe électrique |