- Nouveau


| Description | CAPOT EN VINYLE. RÉF. VUE ÉCLATÉE (8) |
|---|---|
| UGS | ZS5023214SM |
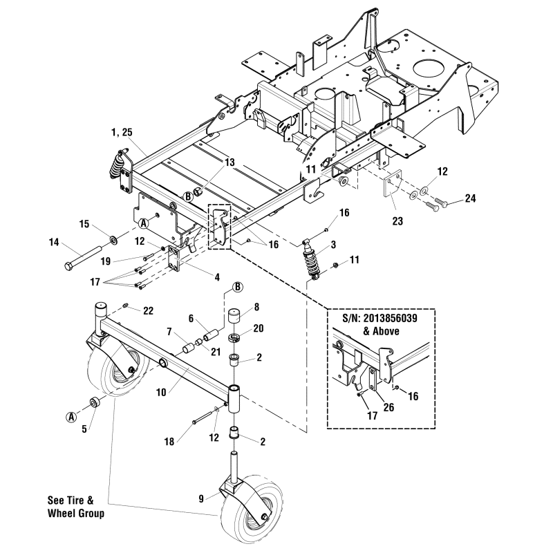
| Compatibilité | 3000Z - 5900947 Champion 2752CE (3000Z) 27 CV Zéro Groupe châssis principal et suspension avant 3000Z - 5901268 Champion 2552CE (3000Z) 25 CV Zéro Groupe châssis principal et suspension avant |