- Nouveau


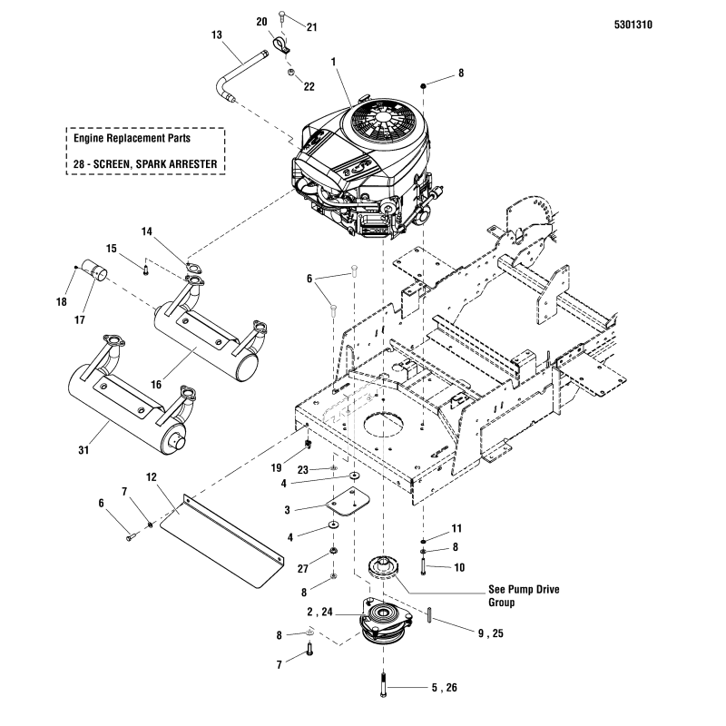
| Description | CLIP AVEC ÉCROU 5/16-18. Remplace : ZS5022308 RÉF. VUE ÉCLATÉE (19) |
|---|---|
| UGS | ZS5022308 |
| Compatibilité | 365Z - 5901278 365ZB2552CE Série 365Z de 52 pouces Groupe moteur et prise de force - N° de série : 2014726547 et suivants EZT2050 - 5900735 Plateau de coupe de 50 pouces - Boîtier Arbres et lames EZT20500BV - 5091003 Plateau de coupe de 50 pouces - Boîtier Groupe Arbors & Blades EZT20500BV - 5091003 Groupe de plancher de plaque de protection de siège EZT20501BV - 5901166 Plateau de coupe de 50 pouces - Boîtier Groupe Arbors & Blades |