- Nouveau


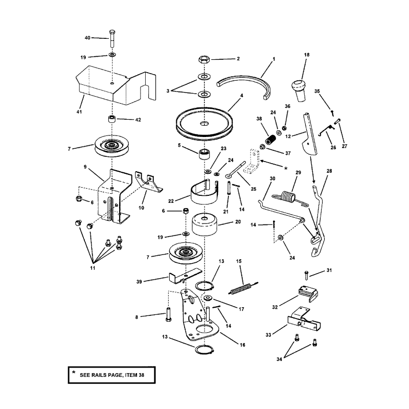
| Description | SUPPORT DE POULIE DE TENDEUR DE COURROIE. Remplace : ZS7035728 RÉF. VUE ÉCLATÉE (9) |
|---|---|
| UGS | ZS7035728 |
| Compatibilité | E2512323BVE- 7800116 7800139 CEINTURES FREINS VERROUILLAGE E2512523BVE - 7800499 CEINTURES FREINS VERROUILLAGE E2812523BVE- 7800117 CEINTURES FREINS VERROUILLAGE E2813523BVE - 7800118 CEINTURES FREINS VERROUILLAGE E2813523BVE - 7800501 CEINTURES FREINS VERROUILLAGE E331523KVE - 7800119 Série Rider 23 CEINTURES FREINS VERROUILLAGE E331523KVE - 7800502 CEINTURES FREINS VERROUILLAGE E331523KVE - 7800660 Courroie de tondeuse de 33 pouces Groupe Freinage et Verrouillage E3317523BVE - 7800718 E3317523BVE Moteur arrière de 33 pouces et 17,5 CV Courroie de tondeuse de 33 pouces Groupe Freinage et Verrouillage |