- Nouveau


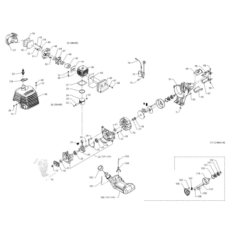
| Nom | FILTRE À AIR POUR ÉCOUTEURS N45P35 FELT 332260 ORIGINAL BLUE BIRD |
|---|---|
| UGS | 332260 |
| EAN | 8025518222876.0 |
| Compatibilité | 877450A-RO EP280EI - 886400A-RO GROUPE MOTEUR 877460A-RO EP370EI - 877460A-RO GROUPE MOTEUR 877470 EP280EM - 886500A-RO GROUPE MOTEURS 877480 EP370EM - 877480 GROUPE MOTEUR 886400A-RO BC 280 L - 886400A-RO GROUPE MOTEUR 886500A-RO BC 280 B - 886500A-RO GROUPE MOTEUR 886600A-RO BC 370 L - 886600A-RO GROUPE MOTEUR 886700A-RO BC 370 B - 886700A-RO GROUPE MOTEUR 886990A-RO BC 380 L - 886990A-RO GROUPE MOTEUR 887020A-RO BC 300 L - 887020A-RO GROUPE MOTEUR 887030A-RO BC 380 B - 887030A-RO GROUPE MOTEUR |