- Nouveau


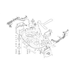
| Nom | COUVERCLE DE COURROIE DROIT LTSD 98H 20086269 ORIGINAL BLUE BIRD |
|---|---|
| UGS | 20086269 |
| EAN | 8025518494549.0 |
| Compatibilité | 888100 LT SD 108H / 889020 / 889320 TR SL 108H - 888100 Transmission de coupe 888540 / 889290 TR SL 98M - 888540 TRANSMISSION DE COUPE |