6,72 €7,00 €
6,72 €7,00 €Prix de base-4%de
Prix

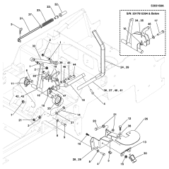
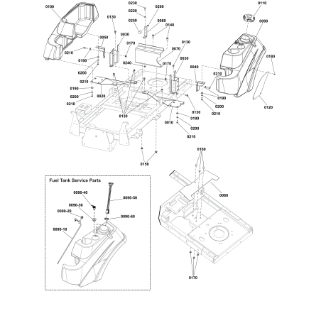
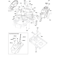
Découvrez notre sélection de vis, boulons, écrous et rondelles pour machines de jardinage, idéales pour garantir durabilité et performances optimales. Compatibles avec les plus grandes marques, ils offrent durabilité et précision. Choisissez le modèle adapté à votre machine et assurez-vous un fonctionnement impeccable.
8351 products