129,36 €147,00 €Prix de base-12%de
Prix
129,36 €147,00 €Prix de base-12%de
Prix

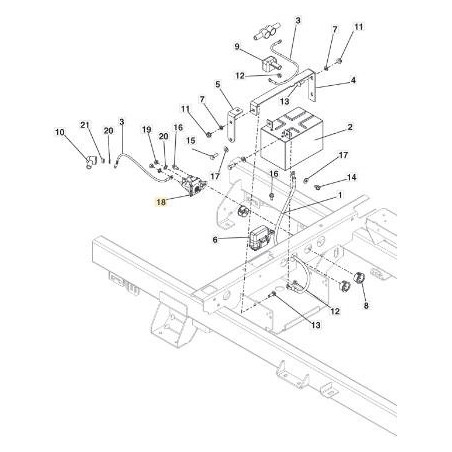
Découvrez notre gamme de solénoïdes pour machines de jardin. Pièces compatibles avec tondeuses autoportées et autres équipements. Composants fiables pour le contrôle du carburant et de l’allumage, assurant efficacité et longévité.
157 products