- Nuevo


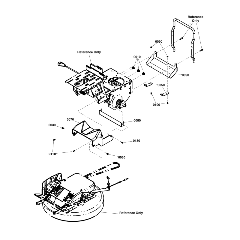
| Descripción | TORNILLO DE CABEZA HEXAGONAL. REF. VISTA DE DESPIECE (0110) |
|---|---|
| Código SKU | ZS0025X3MA |
| Compatibilidad | E2813524BVE - 7800978-00 E2813524BVE Motor trasero de 28" y 13,5 HP Grupo de la Guardia Francesa Euro RER RER100 - 2691382-00 E2813525BVE Motor trasero de 28" y 13,5 HP Grupo de la Guardia Francesa Euro RER RER200 - 2691383-00 E3317525BVE Motor trasero de 33" y 17,5 HP Grupo de la Guardia Francesa Euro RER |