- Nuevo


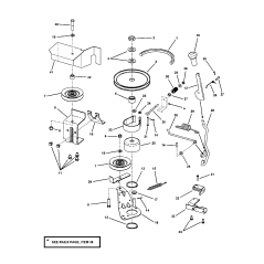
| Descripción | ARANDELA 77X1.5X0.06. Reemplaza: ZS7032027 REF. VISTA DE DESPIECE (3) |
|---|---|
| Código SKU | ZS7032027 |
| Compatibilidad | E2512323BVE-7800116 7800139 CINTURONES FRENOS ENTRELAZAR E2512523BVE - 7800499 CINTURONES FRENOS ENTRELAZAR E2512523BVE - 7800657 E2512523BVE Motor trasero de 25" y 12,5 HP Correa de la cortadora de césped Grupo de freno y enclavamiento E2812523BVE - 7800500 E2812523BVE Motor trasero de 28" y 12,5 HP Correa de la cortadora de césped Grupo de freno y enclavamiento E2812523BVE-7800117 CINTURONES FRENOS ENTRELAZAR E2813523BVE - 7800118 CINTURONES FRENOS ENTRELAZAR E2813523BVE - 7800501 CINTURONES FRENOS ENTRELAZAR E2813523BVE - 7800659 E2813523BVE Motor trasero de 28" y 13,5 HP Correa de la cortadora de césped Grupo de freno y enclavamiento E2814523BVE - 7800790 E2814523BVE Motor trasero de 28" y 14,5 HP Correa de la cortadora de césped Grupo de freno y enclavamiento E331523KVE - 7800119 Serie Rider 23 CINTURONES FRENOS ENTRELAZAR E331523KVE - 7800502 CINTURONES FRENOS ENTRELAZAR E331523KVE - 7800660 Correa de corte de 33" Grupo de freno y enclavamiento E3317523BVE - 7800718 E3317523BVE Motor trasero de 33" y 17,5 HP Correa de corte de 33" Grupo de freno y enclavamiento |