- Nuevo


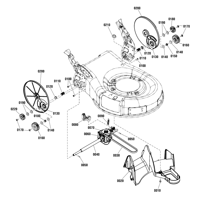
| Descripción | TORNILLO 1/4-20 X 3/8 ERDV21750HW ERDV21750H REF. VISTA DE DESPIECE (0170) |
|---|---|
| Código SKU | ZS703480 |
| Compatibilidad | ERDS19675HW - 1696372-00 ERDS19675HW 19" Euro Autopropulsado Grupo de conducción ERDV21750HW - 1696373-00 ERDV21750HW 21" Euro Autopropulsado Grupo de conducción |