- Nuevo




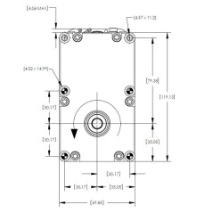
| Descrizione | Motoriduttore Merkle Korff S-4363 Velocità: 3,5 rpm. Pacco lamellare: 32 mm. Diametro albero: 9,52 mm. Spianatura: singola. Senso di rotazione: antioraria. Coppia nominale: 100 IN/LBS MIN. Modello con encoder |
|---|---|
| SKU | 14702105 |
| Caratteristiche | Adatto per essere impiegato per applicazioni ove è richiesta una bassa velocità e una coppia elevata il motoriduttore S-4363 è specifico per essere utilizzato come rotore per alimentare le stufe a pellet. Coppia 100 IN LBS MIN. velocità 3 5 rpm rotazione antioraria diametro albero 9 52 mm pacco lamellare da 32 mm alimentazione 230 V AC - 50 Hz. Monta su stufe: EDILKAMIN ref. R645420 - 645420 - R742690 - 742690 |