- Nuevo





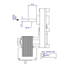
| Descripción | Motorreductor Mellor FB1285 Velocidad: 3 rpm. Válvula de láminas: 32 mm. Diámetro del eje: 8,5 mm. Aplanamiento: simple. Sentido de giro: en sentido horario. Par nominal: 26 Nm. Modelo con codificador |
|---|---|
| Código SKU | 14702019 |
| Características | Adecuado para su uso en aplicaciones donde se requieren baja velocidad y alto torque, el motorreductor FB1285 - DV3029 está diseñado específicamente para usarse como rotor para alimentar estufas de pellets. Serie T3 con codificador par nominal 26 Nm absorción 25 vatios velocidad 3 rpm rotación en el sentido de las agujas del reloj diámetro del eje 8 5 mm Paquete de válvulas de láminas de 32 mm fuente de alimentación 220 V CA - 50 60 Hz. Compatible con estufas CLAM Cod. 05023012 - 05010034 Mod. Niagara - Vittoria 26 kW Equivalente al código KENTA. 14702060 |