Español
Italiano
English
French
Deutsch
Español
Sign In
Iniciar sesión
lista de deseos
(0)
0
Carrito
0
Mega Menu
Máquinas
Piezas
Repuestos para estufas
Inicio
Piezas
Accesorios varios
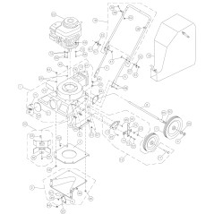
ENVOLTORIO DE PLATOS
Nuevo
ENVOLTORIO DE PLATOS
9,30 €
10,00 €
7% de descuento
Tax Included
Return policy:14
Quantity :
Añadir al carrito
account_circle
Share
ENVOLTORIO DE PLATOS
Sender
Recipient
E-mail address of your Recipient
Descripción
Detalles del producto
Nombre:
ENVOLTORIO DE PLATOS
MPN:
AR900413
Compatibilidad:
LB352 Cuerpo máquina
LB352EU ASPIRADOR Corpo macchina
LB61 Cuerpo máquina
Ean
6098452172103
Mpn
AR900413
Ficha técnica
Envío rápido
No
Referencias específicas
×
check_circle
check_circle