Español
Italiano
English
French
Deutsch
Español
Sign In
Iniciar sesión
lista de deseos
(0)
0
Carrito
0
Mega Menu
Máquinas
Piezas
Repuestos para estufas
Inicio
Piezas
Accesorios varios
CUBRIR
Nuevo
CUBRIR
4,65 €
5,00 €
7% de descuento
Tax Included
Return policy:14
Quantity :
Añadir al carrito
account_circle
Share
CUBRIR
Sender
Recipient
E-mail address of your Recipient
Descripción
Detalles del producto
Nombre:
CUBRIR
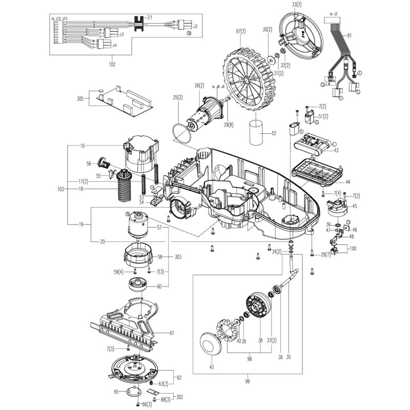
MPN:
XR50032324
Compatibilidad:
WR105SI 2017 Grupo bateria/scocca inferiore
WR105SI.1 2018 Grupo bateria/scocca inferiore
Ean
6098453589528
Mpn
XR50032324
Ficha técnica
Referencias específicas
×
check_circle
check_circle