- Nuevo


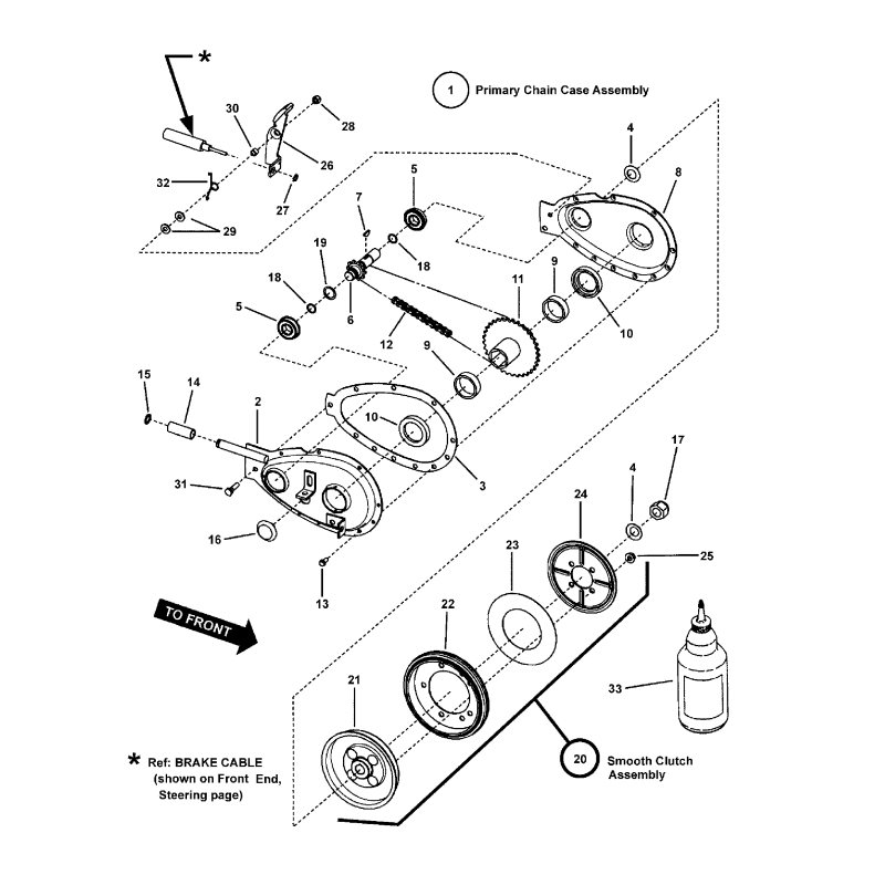
| Descripción | LLAVE WOODRUFF N.° 5. Reemplaza: ZS7010614 REF. VISTA DE DESPIECE (7) |
|---|---|
| Código SKU | ZS7010614 |
| Compatibilidad | E2512323BVE-7800116 7800139 CAJA DE CADENA PRIMARIA Y EMBRAGUE LISO E2512523BVE - 7800499 CAJA DE CADENA PRIMARIA Y EMBRAGUE LISO E2512523BVE - 7800657 E2512523BVE Motor trasero de 25" y 12,5 HP Caja de cadena primaria y grupo de embrague suave E2812523BVE - 7800500 E2812523BVE Motor trasero de 28" y 12,5 HP Caja de cadena primaria y grupo de embrague suave E2812523BVE-7800117 CAJA DE CADENA PRIMARIA Y EMBRAGUE LISO E2813523BVE - 7800118 CAJA DE CADENA PRIMARIA Y EMBRAGUE LISO E2813523BVE - 7800501 CAJA DE CADENA PRIMARIA Y EMBRAGUE LISO E2813523BVE - 7800659 E2813523BVE Motor trasero de 28" y 13,5 HP Caja de cadena primaria y grupo de embrague suave E2814523BVE - 7800790 E2814523BVE Motor trasero de 28" y 14,5 HP Caja de cadena primaria y grupo de embrague suave E331523KVE - 7800119 Serie Rider 23 CAJA DE CADENA PRIMARIA Y EMBRAGUE LISO E331523KVE - 7800502 CAJA DE CADENA PRIMARIA Y EMBRAGUE LISO E331523KVE - 7800660 Caja de cadena primaria y grupo de embrague suave E3317523BVE - 7800718 E3317523BVE Motor trasero de 33" y 17,5 HP Caja de cadena primaria y grupo de embrague suave |