- Nuevo


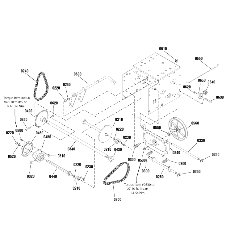
| Descripción | DISCO DE TRACCIÓN. × Reemplaza: ZS722185 REF. VISTA DE DESPIECE (0460) |
|---|---|
| Código SKU | ZS722185 |
| Compatibilidad | H924RX - 1696008 H924RX 24" 9TP Intermedio de dos etapas Grupo de tracción L824R - 1696220-00 SNL824R 24" 7.5TP de dos etapas Grupo de tracción L824R - 1696523-00 SNL824R 24" 7.5TP de dos etapas Grupo de tracción L924R - 1696221-00 SNL924R 24" 9TP de dos etapas Grupo de tracción |