21,34 €22,00 €
21,34 €22,00 €Precio base-3% off
Precio

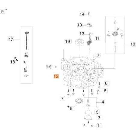
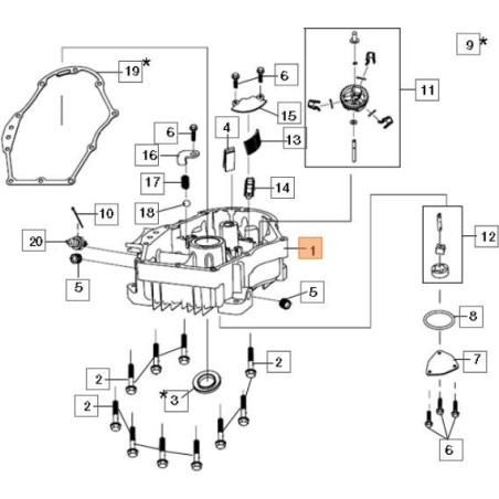
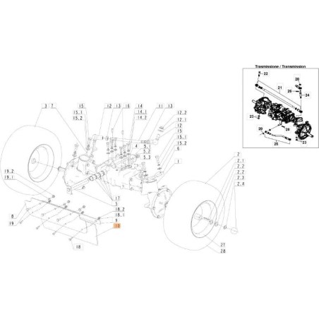
Deflectores para tractores cortacésped y segadoras, ideales para desviar el césped cortado lateral o traseramente. Mejoran la seguridad y distribución. Compatibles con varios modelos y fabricados con materiales resistentes.
3161 products