- Neu


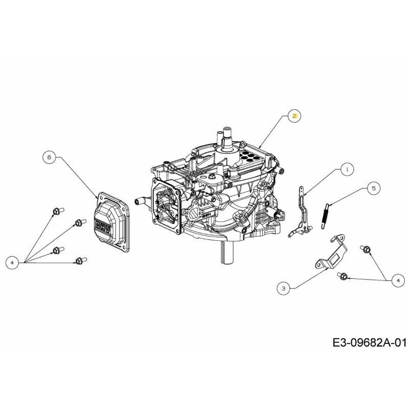
| Name | KURZER BLOCK |
|---|---|
| MPN | 651-05410 |
| Referenzbild | 2 |
| Kompatibilität | 651-05410 / KURZBLOCK // MTD-Motoren / Vertikal / 1P57NH / 752Z1P57NH (2016) / Reglerhebel, Kurzblock, Zylinderkopfdeckel 651-05410 / KURZBLOCK // MTD-Motoren / Vertikal / 1P57NH / 752Z1P57NH (2017) / Reglerhebel, Kurzblock, Zylinderkopfdeckel |