- Neu


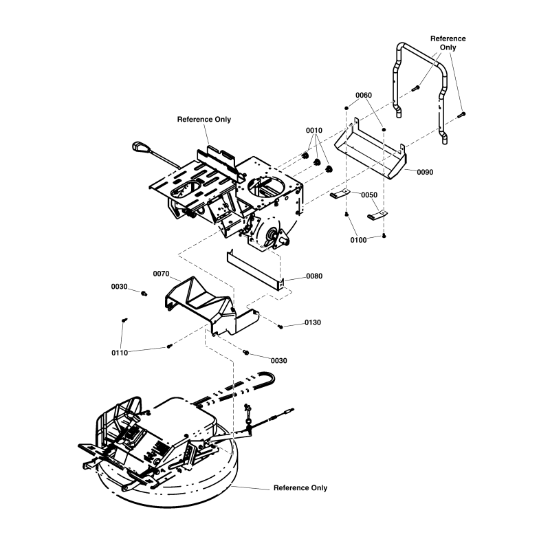
| Beschreibung | Getriebeschutz Serie 23 Referenz Explosionszeichnung (0090) |
|---|---|
| Artikelnummer | ZS7300547BMYP |
| Kompatibilität | E2813524BVE - 7800978-00 E2813524BVE 28 Zoll 13,5 PS Heckmotor Französische Gardegruppe Euro RER RER100 - 2691382-00 E2813525BVE 28 Zoll 13,5 PS Heckmotor Französische Gardegruppe Euro RER RER200 - 2691383-00 E3317525BVE 33 Zoll 17,5 PS Heckmotor Französische Gardegruppe Euro RER |