- Neu


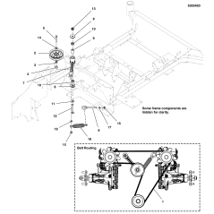
| Beschreibung | Riemenspannrolle * . Siehe Explosionszeichnung (2) |
|---|---|
| Artikelnummer | ZS5021002SM |
| Kompatibilität | 3000Z - 5900947 Champion 2752CE (3000Z) 27 PS Zero 52-Zoll-Mähwerk – Riemen- und Spannrollengruppe 3000Z - 5900947 Champion 2752CE (3000Z) 27 PS Zero Pumpenantriebsgruppe 3000Z - 5901268 Champion 2552CE (3000Z) 25 PS Zero 52-Zoll-Mähwerk – Riemen- und Spannrollengruppe 3000Z - 5901268 Champion 2552CE (3000Z) 25 PS Zero Pumpenantriebsgruppe ZTX550 - 5901404 ZTX550 52 Zoll (132 cm) 8270 Serie B&S Transaxle-Antriebsgruppe |