• Neu
    Rückplatte AGR8000430 ORIGINAL MGF
    Rückplatte AGR8000430 ORIGINAL MGF

    Rückplatte AGR8000430 ORIGINAL MGF

    4,80 €
    5,00 €
    4% sparen
    Tax Included
    Return policy:14
    Quantity :
    account_circleShare
    Rückplatte AGR8000430 ORIGINAL MGF

    Rückplatte AGR8000430 ORIGINAL MGF

     

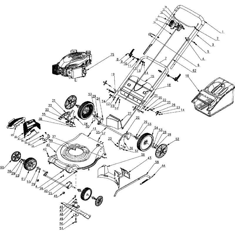
    BeschreibungRÜCKPLATTE. R46SP REF. EXPLOSIONSZEICHNUNG (43)
    ArtikelnummerAGR8000430
    KompatibilitätR46P T475
    Rasenmähergruppe
    R46SP T475
    Rasenmähergruppe
    MGF
    AGR8000430

    Technische Daten

    Besondere Bestellnummern

    Rückplatte AGR8000430 ORIGINAL MGF | Newgardenstore.eu

    Rückplatte AGR8000430 ORIGINAL MGF

    4,80 €
    5,00 €
    4% sparen
    Tax Included
    Return policy:14