• Neu
    Lenkerentriegelungshebelstift AGR8000100 ORIGINAL MGF
    Lenkerentriegelungshebelstift AGR8000100 ORIGINAL MGF

    Lenkerentriegelungshebelstift AGR8000100 ORIGINAL MGF

    4,80 €
    5,00 €
    4% sparen
    Tax Included
    Return policy:14
    Quantity :
    account_circleShare
    Lenkerentriegelungshebelstift AGR8000100 ORIGINAL MGF

    Lenkerentriegelungshebelstift AGR8000100 ORIGINAL MGF

     

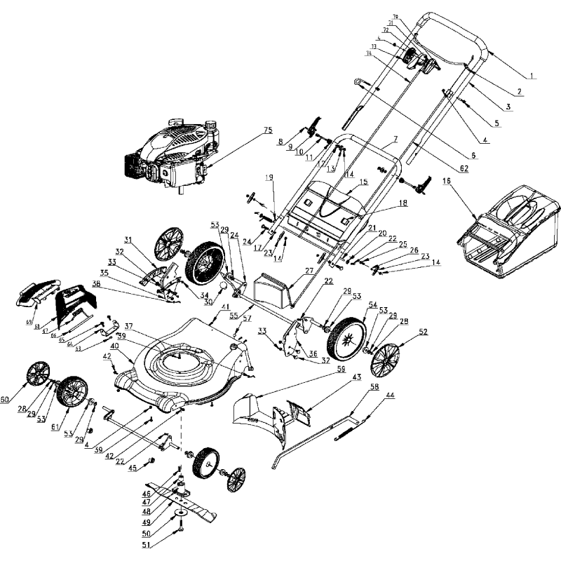
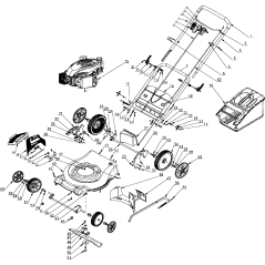
    BeschreibungStift des Lenkerentriegelungshebels. R46SP REF. Explosionszeichnung (10)
    ArtikelnummerAGR8000100
    KompatibilitätR46P T475
    Rasenmähergruppe
    R46SP T475
    Rasenmähergruppe
    R51SP T575
    Rasenmähergruppe
    MGF
    AGR8000100

    Technische Daten

    Besondere Bestellnummern

    Lenkerentriegelungshebelstift AGR8000100 ORIGINAL MGF | Newgardenstore.eu

    Lenkerentriegelungshebelstift AGR8000100 ORIGINAL MGF

    4,80 €
    5,00 €
    4% sparen
    Tax Included
    Return policy:14