- Neu


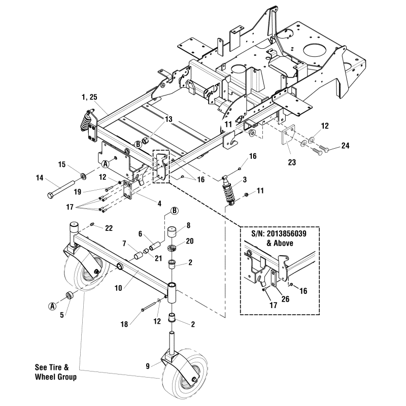
| Beschreibung | 3/4-16 Selbstsichernde Mutter. ZT20501 REF. Explosionszeichnung (13) |
|---|---|
| Artikelnummer | ZS5025284SM |
| Kompatibilität | 3000Z - 5900947 Champion 2752CE (3000Z) 27 PS Zero Hauptrahmen & Vorderachsaufhängung 3000Z - 5901268 Champion 2552CE (3000Z) 25 PS Zero Hauptrahmen & Vorderachsaufhängung |