- Neu


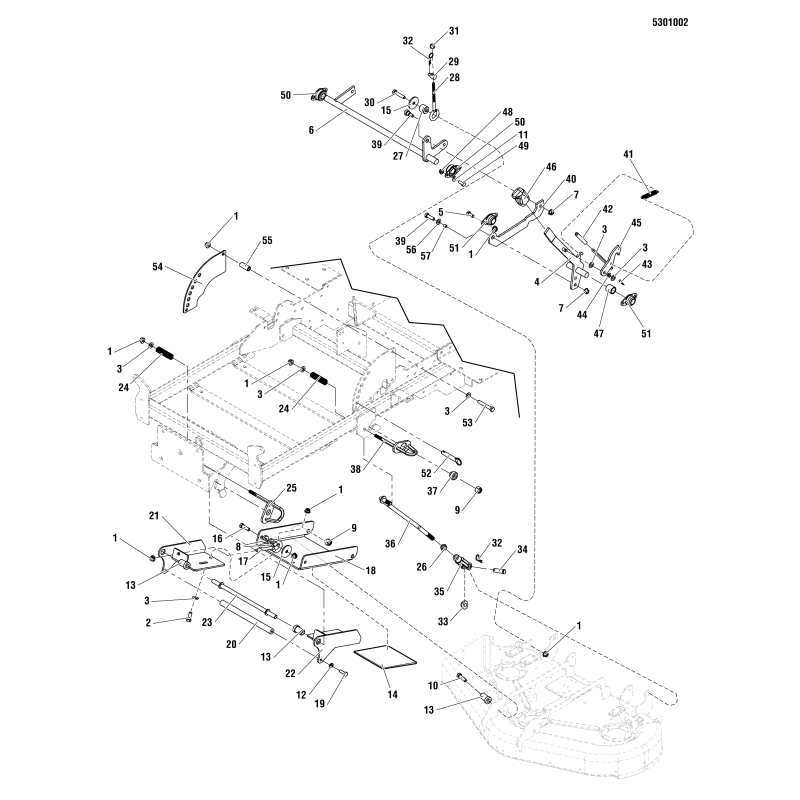
| Beschreibung | Unterlegscheibe 0,41 x 1,75 x 0,14 . ZTX150 ZTX20 Ersetzt: ZS5025305 Siehe Explosionszeichnung (15) |
|---|---|
| Artikelnummer | ZS5025305 |
| Kompatibilität | 3000Z - 5900947 Champion 2752CE (3000Z) 27 PS Zero Aufzugsgruppe 3000Z - 5901268 Champion 2552CE (3000Z) 25 PS Zero Aufzugsgruppe 365Z - 5901278 365ZB2552CE 52" ZTR 365Z Serie Decklift-Gruppe EZT2050 - 5900735 Fahrgruppe EZT2050 - 5900735 Aufzugsgruppe EZT2050 - 5900735 Hinterradaufhängung EZT20500BV - 5091003 50-Zoll-Mähwerk – Riemen- und Spannrollengruppe EZT20500BV - 5091003 Deckliftgruppe (ab Seriennummer 41123594) EZT20500BV - 5091003 Deckliftgruppe (bis Seriennummer 41123594) EZT20500BV - 5091003 Pumpenantriebsgruppe EZT20501BV - 5901166 Fahrgruppe EZT20501BV - 5901166 Aufzugsgruppe |