- Neu


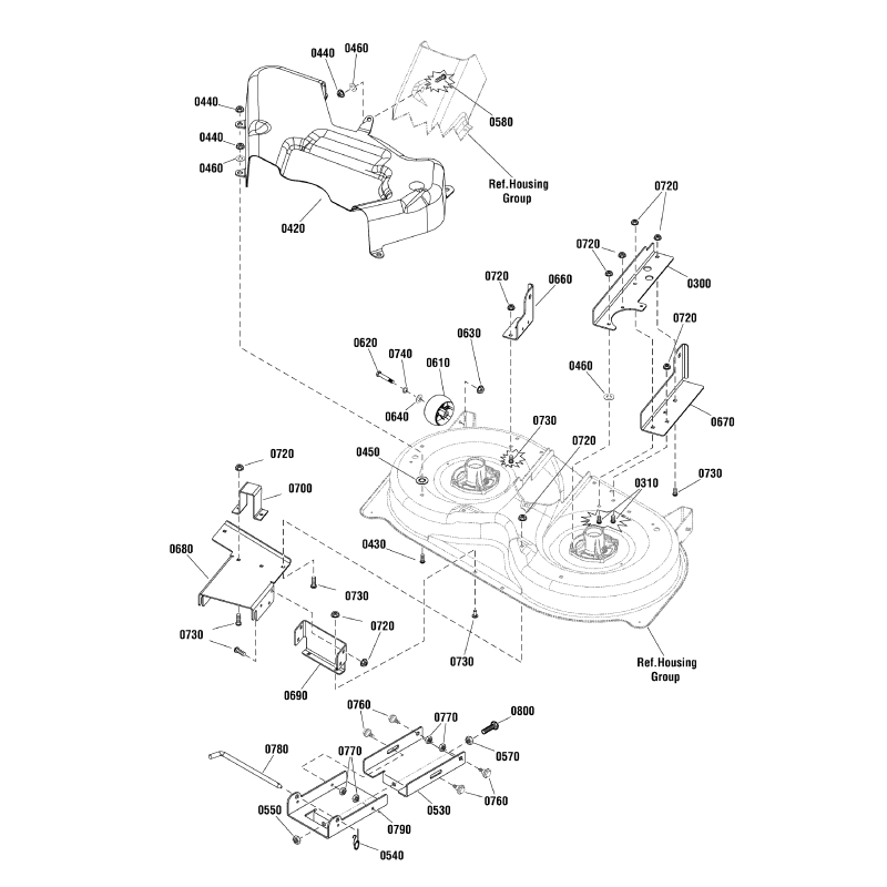
| Beschreibung | Mutter HJ 1/2-13 . RPX100 RPX200 RXT300 Ersetzt: ZS1913744 Siehe Explosionszeichnung (0570) |
|---|---|
| Artikelnummer | ZS1913744 |
| Kompatibilität | ELT17538RDF - 1696111-00 ELT17538RDF 38" 17,5 Brutto-PS Hydro 96-cm-Mähdeck – Supportgruppe ELT1838RD - 1696112-00 ELT18V38RDF 18 PS 38" (96 cm) Hydro 96-cm-Mähdeck – Supportgruppe ERPX17538RDF - 2691113-00 ERPX17538RDF 96 cm 17,5 Brutto-PS 96-cm-Mähdeck – Supportgruppe ERPX17538RDF - 2691113-01 ERPX17538RDF 96 cm 17,5 Brutto-PS 96-cm-Mähdeck – Supportgruppe |