- Neu


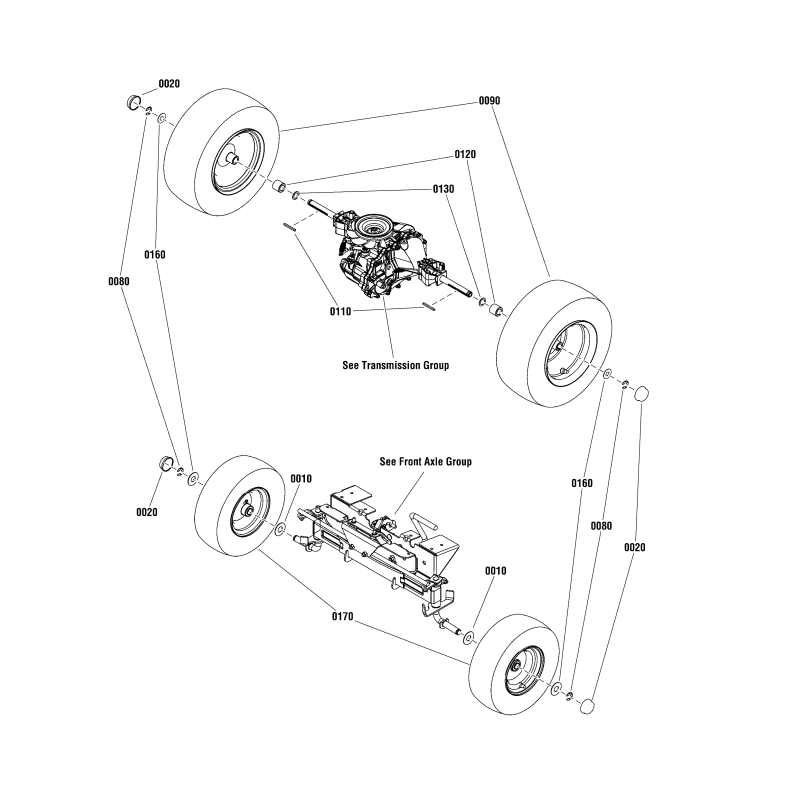
| Beschreibung | Flache Unterlegscheibe. RPX100 RPX200 Ersetzt: ZS722620 Siehe Explosionszeichnung (0160) |
|---|---|
| Artikelnummer | ZS722620 |
| Kompatibilität | ELT12538 - 2691084 ELT125380 38" 12,5 PS Hydro Drive Euro Rahmen- und Vorderachsgruppe ELT12538 - 2691084 ELT125380 38" 12,5 PS Hydro Drive Euro Wheels & Tires Group ELT17538RDF - 1696111-00 ELT17538RDF 38" 17,5 Brutto-PS Hydro Rahmen- und Vorderachsgruppe ELT17538RDF - 1696111-00 ELT17538RDF 38" 17,5 Brutto-PS Hydro Rad- und Reifengruppe ELT17542H - 2691044 ELT175420 42" 17,5 PS Hydro Drive Euro Rahmen- und Vorderachsgruppe ELT17542H - 2691044 ELT175420 42" 17,5 PS Hydro Drive Euro Wheels & Tires Group ELT1838RD - 1696112-00 ELT18V38RDF 18 PS 38" (96 cm) Hydro Rahmen- und Vorderachsgruppe ELT1838RD - 1696112-00 ELT18V38RDF 18 PS 38" (96 cm) Hydro Rad- und Reifengruppe ELT18538 - 2690685 ELT18538 38" 18,5 PS Hydro Drive Euro Wheels & Tires Group ELT19546 - 2691046 ELT19546 19,5 PS Hydro Drive Euro Wheels & Tires Group ELT2246 - 2690865 Wheels & Tires Group ELT2246 - 2690865-01 Wheels & Tires Group REX300 - 2691348-00 REX300-CE 33 Zoll 84 cm Hydro Drive REX Radgruppe |