- Neu



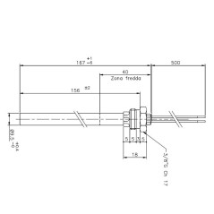
| Beschreibung | Zündwiderstand UTXS014074 Anschluss: 3/8"-Gasgewinde. Durchmesser: 9,5 mm Gesamtlänge: 167 mm Hinterschnittlänge: 156 mm Leistung: 250 Watt. |
|---|---|
| Artikelnummer | 14701041 |
| Eigenschaften | Widerstand UTXS014074 Pelletofenanzünder, geeignet zum Anzünden von Pellets und Holzspänen für Öfen Kessel und Brenner. Getestet für über 10.000 Ein-/Ausschaltzyklen AUS mit kurzen Zündzeiten. Ausführung mit Thread-Verbindung 3 8" GAS Durchmesser 9 5 mm Gesamtlänge 167 mm Länge Hinterschnitt 156 mm 250 Watt. Für Öfen ECOTECK-Referenz 55084 RAVELLI ref. 55084 - Mod. Chiara – Genova – Pisa – Riviera – HR200 Ver.1-2 – HRV160 Ver.1 – HRB160 – HRV135 Ver.01 – HRevo24 |