- Neu





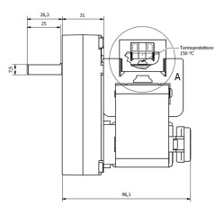
| Beschreibung | Kenta K9177290 Getriebemotor Drehzahl: 4 U/min. Reed-Ventil-Paket: 40 mm. Wellendurchmesser: 8,5 mm. Abflachung: einzeln. Drehrichtung: im Uhrzeigersinn. Nenndrehmoment: 29 Nm. |
|---|---|
| Artikelnummer | 14702067 |
| Eigenschaften | Der Getriebemotor Kenta K9177290 eignet sich für Anwendungen, bei denen niedrige Drehzahl und hohes Drehmoment erforderlich sind, und ist speziell für den Einsatz als Rotor zum Antrieb von Pelletöfen konzipiert. 917er-Serie Nenndrehmoment 29 Nm Absorption 40 Watt Drehzahl 4 U/min Drehung im Uhrzeigersinn Wellendurchmesser 8 5 mm 40-mm-Membranventil-Set Stromversorgung 220 V Wechselstrom - 50 60 Hz. Auf Öfen montieren F.E.T.M. |