- Neu





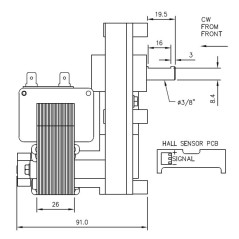
| Beschreibung | Mellor FB1294 Getriebemotor Drehzahl: 2 U/min. Zungenventil: 26 mm. Wellendurchmesser: 9,5 mm. Abflachung: einzeln. Drehrichtung: im Uhrzeigersinn. Nenndrehmoment: 26 Nm. Modell mit Encoder |
|---|---|
| Artikelnummer | 14702030 |
| Eigenschaften | Der Getriebemotor FB1294 eignet sich für Anwendungen, bei denen niedrige Drehzahl und hohes Drehmoment erforderlich sind, und wurde speziell als Rotor für den Antrieb von Pelletöfen entwickelt. T3-Serie Nenndrehmoment 26 Nm Absorption 18 Watt Drehzahl 2 U/min Drehung im Uhrzeigersinn Wellendurchmesser 9 5 mm 26 mm Membranventil-Set Stromversorgung 220 V Wechselstrom - 50 60 Hz. Äquivalent FB1179 Auf Öfen montieren MONTEGRAPPA KAMINE |